液氮罐補液控制系統由液氮補液罐、低溫智能化控制系統、閥門組件控制電磁閥和真空比例閥箱、PLC編程器、智能化控制人機交互控制終端、不間斷電源、溫度及壓力傳感器監控探頭系統及反饋電路系統組成,功能可根據客戶需求,定制相關罐體自動增壓-出液-排氣的壓力及流量控制程序。
液氮罐補液控制系統可以根據客戶需求擴展相關功能,用于客戶應用不同的用途場所。如使用自增壓液氮罐的智能化液氮冷卻系統。儲存型液氮罐的液氮罐補液系統和液氮罐監控系統,液氮存儲監控,和氮氣輸出等用途,還可以作為冰箱后備液氮補液系統。該系統也主要應用于高壓膠管液氮冷凍系統解決方案
控制系統的功能都可以在系統內部整合搭建,低溫-196度閥體部件的耐老化程度高,可以常年使用,對液氮罐體的監控功能可以達到精準并上傳網絡實時報警的功能。為您的液氮罐或氣瓶產品提供安全保證。保證液氮補液沖裝的及時性能夠得到保證。給冰箱,低溫處理設備,液氮低溫箱,速凍箱等產品提供超低溫液氮保證。單一液氮罐,或者獨立氣瓶,多個氣瓶都可以達到智能監控的目的。
產品功能:
液氮罐補液控制系統技術優勢:
一 PLC大屏幕控制系統 (可定制遠程操控)






二 西門子S7-200 SMART可編程控制器
S7-200 SMART SR/ST CPU 模塊本體集成 1 個以太網接口和 1 個 RS485 接口,通過擴展 CM01 信號板或者 EM DP01 模塊,其通信端口數量最多可增至 4 個,可滿足小型自動化設備與觸摸屏、變頻器及其它第三方設備進行通信的需求,全新的 S7-200 SMART CPU 模塊,可全方位滿足不同行業、不同客戶、不同設備的各種需求。
SR/ST 標準型CPU 可擴展 6 個擴展模塊和 1 個信號板,適用于 I/O 點數較多,邏輯控制較為復雜的應用。
• SR/ST CPU 模塊具備 20I/O、30I/O、40I/O、 60I/O 四種配置
• 集成高速處理器芯片,位指令執行時間可達 0.15μs
• 通過信號板可擴展通信端口、模擬量通道、數字量通道和時鐘保持功能
• SR/ST CPU 模塊本體集成以太網接口和 RS485 串口,支持以太網接口下載程序
• 支持 Modbus RTU、USS、PROFIBUS-DP、自由口通信等
• 本體最多集成 3 路 100KHz 高速脈沖輸出
• 支持通用 Micro SD 卡下載程序、更新 PLC 固件和恢復出廠設置
• 新版編程軟件,融入多項人性化設計,項目開發更加高效
• PM207為整個系統提供高品質的直流供電
機柜內部實拍圖
通用7寸觸摸屏操控界面
三 真空比例調節閥
真空比例調節閥是由多彈簧執行機構和調節閥組件組成,公稱通徑由20至300mm,公稱壓力1.6MPa,使用溫度范圍由-200℃~50℃。它以壓縮空氣為動作力,接受標準信號4~20mADC,將此轉為與輸入信號相對應的上下位移,改變閥門的開度位移,從而達到對工藝管路流體介質如壓力、流量、溫度、液位等參數的自動調節控制。
產品特點
1、采用平衡型閥芯,不平衡力小,允許壓差大,操作穩定。
2、閥芯導向面大,可改善由渦流和沖擊引起的振蕩。
3、比普通的單、雙座調節閥噪聲降低10dB左右。
4、采用自對中無螺紋卡入式閥座結構和模塊化設計, 閥門拆裝方便。
5、調節切斷型可采用軟密封結構閥芯,達VI級泄漏標準(零泄漏)。
6、波紋管密封型調節閥對移動的閥桿形成完全的密封,堵絕流體外漏。
|
公稱通徑DN(mm) |
20 |
25 |
32 |
40 |
50 |
65 |
80 |
100 |
125 |
150 |
200 |
|
|
額定流量系數KV |
直線 |
7.6 |
12.1 |
19.4 |
30.3 |
48.3 |
75.9 |
121 |
193.6 |
302.5 |
484 |
759 |
|
等百分比 |
6.9 |
11 |
17.6 |
27.5 |
44 |
69.3 |
110 |
176 |
275 |
440 |
693 |
|
|
執行機構型號 |
正作用 |
ZHA-22 |
ZHA-23 |
ZHA-34 |
ZHA-45 |
|||||||
|
反作用 |
ZHB-22 |
ZHB-23 |
ZHB-34 |
ZHB-45 |
||||||||
|
額定行程L(mm) |
16 |
25 |
40 |
60 |
||||||||
|
膜片有效面積Ae(cm2) |
280 |
400 |
600 |
1000 |
||||||||
|
公稱壓力PN(MPa) |
1.6 2.5 4.0 6.4 |
|||||||||||
|
流量特性 |
直線 等百分比 |
|||||||||||
|
法蘭標準 |
GB/T9113 、 JB/T79 |
|||||||||||
|
閥體材質 |
碳鋼WCB(閥芯、閥座不銹鋼304)、不銹鋼304、316、珞鉬鋼等其它特殊材質可定做 |
|||||||||||
|
允許泄漏量 |
0.01%×閥額定容量(硬密封)、零泄漏(軟密封) |
|||||||||||
|
作用方式 |
氣關式 氣開式 |
|||||||||||
|
信號范圍Pr(KPa) |
20-60、20-100、40-200、60-100、80-240 |
|||||||||||
|
氣源壓力Ps(MPa) |
0.14、0.25、0.28、0.40 |
|||||||||||
|
輸入信號 |
0~10V .DC或4~20mA.DC |
|||||||||||
|
輸出信號 |
4~20mA.DC(添加功能) |
|||||||||||
|
使用環境 |
環境溫度-20~70 ℃ 濕度 定位器:≤ 95% |
|||||||||||
|
其它功能 |
防護等級:IP55、隔爆標志:ExdⅡBT4(ExdⅡBT6特殊定制)、手操功能:添加 |
|||||||||||
比例閥雙系統設置及監控界面

集成客戶設備 比例閥及PLC控制系統

四 進口超低溫電磁閥
規格型號:Z10B
閥體材質:304不銹鋼/黃銅
連接方式:G3/8(其他連接方式可定做)
公稱尺寸:DN10
電源電壓:DC24V(DC12V AC110V AC220V)
工作壓力:3MPA(其他壓力可協商定做)
介質種類:液氮、液氧、液化氣,低溫介質
介質溫度:-200℃
控制方式:常閉(常開)

五 數顯遠程液位計

六 液氮罐供液


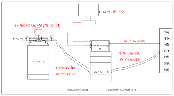
七 客戶案例示意圖
客戶案例示意圖一

客戶案例示意圖 二

客戶案例示意圖 三